Dental implants

Surface treatment

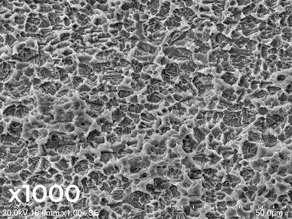
Easy Surface – optimal implant surfaces

German-engineered surface for optimal osseointegration

Created through controlled zirconia sandblasting and acid etching, the surface offers uniform micro-roughness that enhances bone integration and clinical success.

Uniform surface roughness for reliable osseointegration

Zirconia-based sandblasting enhances biocompatibility

Microporouse texture accelerate bone healing